机柜防雷器的接法

omrdon |浏览1070次
收藏|2019/04/17 09:25

满意回答

2019/04/17 11:31

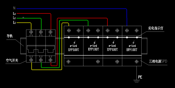
   引入三相电接在空开引入端。空开输出端三相分别接入三个红标签模块上,如果是厂家做好的机柜,那么就最后需要再空开右边红色接地线上端接引出不小于16平的线至机房总接地排。

  最左边那个根蓝色线不应该出现,因为防雷器下端是连通后接在最右边那个放电模块上的。经过放电模块才能入地的。


fanglei

其他回答(0)
0人关注该问题
+1

 加载中...